给排水工程施工工艺
▼
给水施工工艺流程图
排水施工工艺流程图
下面从这八个方面实例解读给排水施工
▼
管道安装 管道封堵 水泵安装
消防部件安装 屋面管道安装
实验 成品保护 末端安装
一
管道安装
1)支架选型
单根角钢支架,倒小圆角或切小斜角
角钢门字型吊架,下方切大斜角或小斜角
说明:
(1)整个工地风格需统一
(2)落地门型支架需煨弯,门字型吊架可煨弯或焊接连接
2)垂直管道安装
单管安装
1.槽钢 2.管码 3.管道
多管安装
1.角钢 2.连接板 3.管码 4.管道
说明:支架的槽钢或角钢规格根据荷载计算确定,支架形式也会根据承重有所变化
3)水平管道安装
单管安装(DN50~DN200)
1.角钢 2.连接板(8mm) 3.管码 4.管道
单管安装(DN100 DN300)
1.角钢 2.连接板(10mm,做为承重支架,当使用80以上的角钢时采用) 3.管码 4.管道
单管安装(DN25~DN80)
1.角钢 2.连接板(6mm) 3.管码 4.管道
喷淋系统防晃支架
多管安装
1.支架横担 2.镀锌螺杆 3.管码 4.管道 5.顶爆螺栓 6.紧固螺栓
4)管道安装实例
垂直安装
管道安装前支架上下采用铁丝作垂直吊线,保证立管垂直度
水平安装
在施工前须在砼结构下弹控制线,保证支架在一直线上
垂直安装
水平安装
管道平行敷设,安装牢固,间距合理,标识清晰,穿板封堵美观
5)管道部件安装
检查口安装
排水立管检查口中心高度距操作地面为1m,朝向应便于检修,铸铁排水立管检查口之间的距离不宜大于10m,塑料排水立管每六层设置一个检查口
连接
用于室内排水的水平管道与水平管道、水平管道与立管的连接,应采用45°三通或45°四通和90°斜三通或90°斜四通,封堵止水环
6)水井安装
装表前应排净管内杂物,以防堵塞,水表应水平安装,箭头方向与水流方向一致
二
管道封堵
1)管道封堵选型
2)管道封堵实例
穿板封堵要点
套管与管道对中,环缝一致,填料平整,标色分明
穿墙封堵要点
1、穿墙管道事先采用钢筋点焊固定预留套管
2、套管内部不能有接头,管道支架、阀门、接头等应该距离套管200mm以上
3、明装与装饰要求高的创优工程,套管外应设装饰盖,起到防火与美观的作用
3)透气管安装
透气管出屋面安装
1、套管周围在屋面混凝土找平层施工时,用水泥砂浆筑成锥形阻水圈
2、管道与套管间的环形缝隙应采用防水胶泥或无机填料嵌实
三
水泵安装
1)基础设置
生活水泵房、消防水泵房基础边宜宽出设备底座100-150mm,水泵基础高度宜设置为200mm,并沿水泵周边设置宽度不少于200mm宽的排水沟
2)卧式水泵安装
3)立式水泵安装
1、立式水泵底座下应设槽钢基础,扩大立式水泵基础接触面积,增加水泵平稳牢固性;槽钢基础与水泵底座螺栓刚性连接
2、立式水泵不得采用弹簧减震器;大型立式水泵最好采用稳定性好的橡胶减震垫;多台立式泵可采取组合机组安装,增加水泵的整体稳定性
4)水泵安装实例
立式水泵
卧式水泵
1、水泵的进出口应设软接头
2、水泵都需接地
3、设备配管合理,附件成排成线,固定支架位置正确
5)潜污泵安装
1-潜污泵 2-出水管 3-挂钩 4-电缆 5-自动耦合装置 6-液位自动控制装置 7-集水井进水管
潜污泵泵坑在安装前必须清理泵坑中的杂物垃圾,避免潜污泵泵安装运行损坏
6)潜污泵安装实例
1、排水管伸入井坑时不得与井坑盖板接触,其间隙应为30—50mm
2、潜污泵排水管阀门与部件从下往上依次为:软接头—压力表—止回阀—闸阀,闸阀的安装高度为地坪完成面上1.5m,三通高度宜为地坪高度2m处
3、阀门与部件的两端,三通横管中部均设置支架,压力排水污废水管道指示与管道类别标示清楚,管道标志色为黑色
7)管道弯头辅助支座
图例
实例
柱管法兰盘距离地面完成面小于等于一米,管道直径为DN100 150时,柱管为DN50;管道直径为DN200 250 时,柱管为DN65mm;当设计另有减振要求时,需另考虑设置减振等
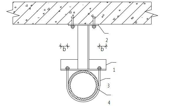
8)泵房落地支架护墩
图例
实例
1、连接板需用膨胀螺栓固定
2、水泥墩顶层表面需有5%的泄水坡度并刷漆
3、图示为一条管道的做法,多条管道时参照此做法
四
消防部件安装
1)消防警铃安装
1、阀组排列整齐
2、水锣(水力警铃)设置在报警阀室外的走道内
3、成排安装水锣应标识清晰
4、阀组下应设置排水沟
5、报警控制管线应排列整齐
6、压力开关至接线盒的软管或软电缆长度一般不宜超过800mm
7、报警阀组控制区域应在管路上标识清晰
2)喷头支架设置
支架设置
3)特殊支架设置
喷淋管道末端应采用梯形防晃支架
1、无吊顶时设置上喷头;有吊顶时设置下喷头,当吊顶上方闷顶的净空高度超过800mm,且其内部有可燃物时,要求设置上喷头;喷头在系统冲洗试压合格后安装
2、当喷淋支管高度大于1000mm时,应设横向加强支架;末端支架与喷头之间的距离为400mm
4)喷头安装
喷头安装
1、直立型喷头安装距楼板顶部距离为100mm
2、有吊顶的下垂型喷头安装喷头根部应与吊顶平齐;为避免定位不准,可在吊顶龙骨标高确定后再安装下喷支管;下喷头与三通之间的短管长度不宜超过150mm
垂直安装
边墙型喷头安装离墙距离为50-100mm
水平安装
当梁、通风管道、排管、桥架宽度大于1.2 m时,增设的喷头应安装在其腹面以下部位;风管下喷头吊架应采取管道延长至风管另外一端边缘,并在延伸管道末端设置吊架
5)消防栓安装
安装要点
消火栓不在门轴侧,应在开启侧;消火栓口中心离地高度为1.1 米,允许偏差±10mm
阀门中心距箱侧面料140mm,距箱后内表面为100mm,允许偏差±5mm;消火栓箱体安装的垂直度偏差≤3mm
消火栓箱与各类装饰面配合安装做法
五
屋面管道安装
管道支架安装
连接板必须在天面隔热层施工前置于保护层上,禁止用膨胀螺栓固定,水泥墩顶层表面需有5%的泄水坡度
透气管安装
上人屋面透气管高度≮2米,不上人屋面透气管高度≮0.3米,且必须大于当地积雪高度;金属管道与支架应该采取接地措施
六
实验
一、各种承压管道系统和设备应做水压试验,非承压管道系统和设备应做灌水试验
1、隐蔽或埋地的排水管道在隐蔽前必须做灌水试验,其灌水高度应不低于底层卫生器具的上边缘或底层地面高度。
检验方法:满水15min水面下降后,再灌满观察5min,液面不降,管道及接口无渗漏为合格。
2、安装在室内的雨水管道安装后应做灌水试验,灌水高度必须到每根立管上部的雨水斗。
检验方法:灌试验持续1h,不渗不漏。
3、敞口水箱的满水试验和密闭水箱(罐)的水压试验必须符合设计与本规范的规定。
检验方法:满水验静置24h,观察不渗不漏;水压试验在试验压力下10min压力不降,不渗不漏。
4、室外排水管道埋设前必须做灌水试验和通水试验,排水应畅通,无堵塞,管接口无渗漏。
检验方法:按排水检查井分段试验,试验水头应以试验段上游管顶加1m,时间不少于30min,逐段观察。
二、强度严密性试验
室内给水管道的水压试验必须符合设计要求。当设计未注明时,各种材质的给水管道系统试验压力均为工作压力的1.5倍,但不得小于0.6MPa。金属及复合管给水管道系统在试验压力下观测l0min,压力降不应大于0.02MPa,然后降至工作压力进行检查,应不渗不漏;塑料管给水系统应在试验压力下稳压1h,压力降不得超过0.05MPa,然后在工作压力的1.15倍状态下稳压2h,压力降不得超过0.03MPa,同时检查各连接处不得渗漏。
三、通水试验
1、给水系统交付使用前必须进行通水试验并做好记录。
检验方法:观察和开启阀门、水嘴等放水。
2、卫生器具交工前应做满水和通水试验。
检验方法:满水后各连接件不渗不漏;通水试验给、排水畅通。
四、通球试验
排水主立管及水平干管管道均应做通球试验,通球球径不小于排水管道管径的2/3,通球率必须达到100%。试验方法:
1、排水立管应自立管顶部将试球投入,在立管底部引出管的出口处进行检查,通水将试球从出口冲出。
2、横干管及引出管应将试球在检查管管段的始端投人,通水冲至引出管末端排出。室外检查井(结合井)处需加临时网罩,以便将试球截住取出。
七
成品保护
设备保护
设备就位后成品保护
水泵就位后成品保护
管道保护
管井排水管成品保护
卫生间排水主管与支管保护
八
末端安装
洁具安装位置、标高准确,与土建装饰相协调
小便器、感应器安装居中,高度一致,地面砖与墙面砖对缝










